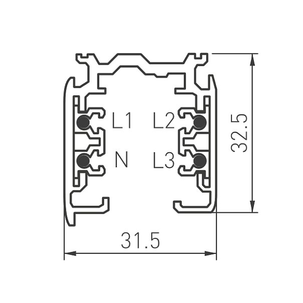
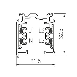
Описание
3-фазный встраиваемый трек 4TR, на 4 провода, длина 2м. Цвет черный глянцевый. Коннектор питания и заглушка приобретаются отдельно. Размер ДxШxВ: 2000x55,7x35,8мм. Ширина встраиваемой части 32,8мм. При использовании с треками и аксессуарами другой серии возможно отличие по цвету.











