Maytoni   Arlight   SWG   ELFLED   PitOn   Aqara  
Фильтр
Фильтр
 
Сбросить текущие настройки

Фильтр по параметрам подраздела: Алюминиевый профиль TOP

Отображаются параметры, доступные для фильтрации в данном подразделе. При необходимости поиска по всем параметрам нажмите "Сбросить"
Отключить умный фильтр
Найдено:    Показать
Модельный ряд
Цвет корпуса
Назначение
Способ монтажа
Форма (сечение)
Длина, мм
min
max
Ширина, мм
min
max
Ширина площадки под ленту, мм
min
max
Высота, мм
min
max
Рассеиваемая тепловая мощность на 1м
min
max
Цена, руб.
min
max
Тип товара
Гарантийный срок
Акция
Наличие на складе
Сбросить текущие настройки

Фильтр по параметрам подраздела: Алюминиевый профиль TOP

Отображаются параметры, доступные для фильтрации в данном подразделе. При необходимости поиска по всем параметрам нажмите "Сбросить"

Для перехода на фильтр с расширенными параметрами нажмите на кнопку ниже. Рекомендуется использовать только профессионалам, чьей основной деятельностью является освещение.

Перейти к настраиваемому фильтру по всем параметрам
Виды алюминиевых профилей
Накладной профиль
Профиль с накладным способом установки удобно применять в помещениях с уже готовым ремонтом, так как он не требует проведения предварительных «грязных» работ. Профиль легко крепится к любой поверхности при помощи шурупов или специальных держателей. Широчайший ассортимент позволяет подобрать варианты для любого случая: для основного освещения, для декоративной подсветки, для широких и узких линий света, с разной глубиной установки ленты.
Угловой профиль
Угловой профиль предназначен для установки в угол 90 градусов, образованный двумя поверхностями. Его удобно применять при подсветке мебели, рабочего пространства на кухне, в ювелирной подсветке. Разные модели могут иметь разный угол наклона площадки для установки светодиодной ленты, благодаря чему можно получить нужное направление освещения.
Встраиваемый профиль
Встраиваемые модели профиля используются для получения линий света вровень с поверхностью, на которой они расположены. Профиль устанавливается в специально подготовленный паз. Модели с фланцем помогут скрыть неровные края монтажного отверстия, а модели для скрытого монтажа получить линии света без видимых частей профиля. Может применяться как для основного освещения, так и для декоративной подсветки.
Подвесной профиль
Подвесной профиль монтируется к потолку с помощью специальных подвесов. Используется для создания подвесных линейных светильников, оригинальных световых инсталляций. Благодаря возможности регулировать длину подвесов, профиль можно применять в помещениях с потолками разной высоты, создавать разноуровневые конструкции. Особенно эффектно смотрится в больших помещениях, а также для освещения зон ресепшн и отдыха, барных стоек.
Круглый профиль
Профиль с круглым сечением можно использовать для создания эффектных подвесных и накладных светильников. В ассортименте представлены модели с разным диаметром сечения, а также с разной степенью открытости. Для создания направленного вниз светового потока подойдут закрытые модели. Светильники, созданные на основе профиля, в котором экран занимает большую часть площади, напоминают светящиеся трубки с равномерным свечением всей поверхности.
Профиль для декоративной подсветки
Для декоративной подсветки выбирайте профили, которые помогут создать разные световые эффекты. Сверхтонкие линии света получатся при использовании узких профилей, профили малой толщины и с возможностью наклона оси света позволят создать подсветку в труднодоступных местах, скругленный профиль – эффектно обыграть помещение. Специальные модели профиля помогут оригинально подсветить внешние и внутренние углы в помещении, создать эффект отраженного света.
Профиль для основного освещения
Для основного освещения представлен широчайший выбор профилей. В зависимости от проекта можно выбрать накладные или встраиваемые модели, модели разной ширины для размещения универсальных лент в один или несколько рядов, многорядных лент для широких ярких полос света, с несколькими отсеками для создания тройных линий света, с общим или раздельными экранами. Проблему размещения блоков питания решают профили со специальными отсеками.
Профиль для подсветки на кухне, мебели и витрин
Специализированный профиль поможет создать аккуратную функциональную и декоративную подсветку рабочих зон на кухне, элементов мебели, а также витрин. Небольшие размеры и продуманная конструкция обеспечивают легкую установку в труднодоступных местах. Разный наклон площадки для крепления светодиодной ленты у моделей дает возможность создать освещение с оптимальным направлением светового потока.
Профиль для натяжных потолков
Создавать идеальные линии света в подвесных потолках легко, используя специализированный профиль, который имеет специальный паз для крепления потолочного полотна с помощью крепежа типа «гарпун». Выбрав нужную модель профиля, можно разместить световую линию по периметру, в центре, организовать несколько световых зон, создать геометрический узор из ломаных линий.
Профиль для подсветки полок и стекла
Для эффектной подсветки стекла и полок выбирайте специализированный профиль. Профиль, фиксирующийся на кромке стекла, дает возможность торцевой подсветки, создает аккуратный кант, защищает края от повреждений. Для рекламных и информационных вывесок, тонких полок удобно использовать модели, которые одновременно служат для крепления и для подсветки. Модели с разными вариантами установки помогут задать необходимое направление свечения.
Профиль для подсветки перил, ступеней и порогов
Подсветка проходных зон помогает ориентироваться в пространстве, уменьшает риски травм при передвижении в темное время. Специализированные профили помогут получить эстетичные и надежные конструкции с функцией подсветки. Профиль для ступеней и порогов имеет антискользящую вставку, встраиваемый профиль с фланцем удобен для подсветки круглых поручней, для стеклянных ограждений подойдет модель, выполняющая роль перил.
Профиль для тротуаров и полов
Профиль для подсветки полов и тротуаров выполнен из высокопрочного алюминия, устойчив к статическим нагрузкам. Встраивается в монтажные ниши, закрывается ударопрочным экраном, образуя эстетичные и функциональные световые линии. Благодаря возможности герметизации до индекса IP67 может использоваться во влажных помещениях и на улице. Применяется для световой разметки паркингов, проходных мест в помещениях и в ландшафтном дизайне.
Гибкий алюминиевый профиль
Гибкий профиль из алюминия предназначен для создания подсветки радиусных и округлых поверхностей, например, колонн, ниш нестандартных форм, настенных панно или потолочных конструкций. Для придания нужной формы не требуется специальное оборудования, профиль легко сгибается руками. Гибкие модели также будут интересны дизайнерам при создании авторских светильников оригинальных форм.
Цельнолитой пластиковый профиль
Цельнолитой пластиковый профиль – это единая конструкция из профиля и экрана без стыков. Использовав торцевые заглушки с герметиком, можно достичь уровня пылевлагозащиты IP65. Цельнолитой профиль идеален для создания декоративной подсветки в помещениях с высокой влажностью (ванные комнаты, бассейны и пр.) и на открытом воздухе. Для разных случаев можно выбрать угловые модели, модели с полукруглым или прямым экраном.
Гипсокартонные модули со встроенным профилем
Гипсокартонные заготовки разных форм с уже встроенным профилем – удобный и быстрый способ монтажа встроенных световых линий, скрытой подсветки ниш, карнизов, потолка, стен и других поверхностей. Разные формы модулей и разные варианты размещения профиля на них позволяют создавать освещение под углом 90 или 45 градусов.
Радиусный профиль
Дуговые (радиусные) профили серии ARC предназначены для создания световых конструкций со скругленными углами – кругов, дуг, волн. Может размещаться накладным способом на горизонтальных и вертикальных поверхностях или крепится с помощью подвесов к потолку. Серия представлена разными по форме и радиусу изгиба секторами, которые легко соединяются между собой. Также можно выбрать направление свечения – внешнее, внутреннее и вниз.
Профиль для скрытой установки в гипсокартон
Для создания аккуратных линий света без видимых частей профиля в гипсокартонных конструкциях рекомендуется воспользоваться специализированным профилем с широкими фланцами. Разные модели позволяют создавать подсветку потолка из гипсокартона по центру, в любой части полотна, а также между стеной и потолком. Профиль используется с гипсокартонными листами толщиной 12 и 16 мм и монтируется под финишную отделку.
Профили для светодиодных лент
Профессиональный монтаж светодиодной ленты не обходится без профиля, который решает несколько задач. Он обеспечивает качественный теплоотвод, продлевая срок службы самой ленты. Профиль помогает создать аккуратную и эстетичную конструкцию, решить оригинальные дизайнерские идеи, а в некоторых случаях сам является значимым элементом интерьера.
Профили для светодиодных лент
Качественные материалы – гарант эффективной эксплуатации
  • Фабрики, на которых производится профиль, – лидеры в отрасли
    по инновационному подходу и применению высокотехнологичных
    производств.
  • Большая часть ассортимента изготовлена в Европе
    (ТМ TOP, LEDs-on, KLUS).
  • Строгое соблюдение размеров облегчает
    проектирование и монтаж.
  • Анодирование и покраска осуществляются
    с применением современных технологий,
    обеспечивая эстетичный внешний вид, стойкость
    к внешнем воздействиям и долговечность.
  • Большой выбор аксессуаров для удобной, быстрой
    и аккуратной установки.
  • Экраны выполнены из качественных материалов, обеспечивают
    отличное рассеивание, высокую степень светопропускания и долгую
    эффективную эксплуатацию.
  • Богатый ассортимент моделей для любого случая: основное и декоративное освещение, освещение
    в труднодоступных местах, в сложном микроклимате и пр.
Широкий выбор цветов
Цветовой ассортимент профиля позволяет подобрать варианты для самых разных стилистических решений интерьера. К заказу доступны классические варианты: белый, черный, анодированный. А также экзотические цвета: темно-коричневый, светло-коричневый, темное и светлое золото, шампань. Благодаря современным методам покраски и использованию качественных лакокрасочных материалов покрытие имеет ровную поверхность, является стойким к истиранию и безопасным в использовании.
Возможности и преимущества
Высокое качество продукции
Фабрики, на которых производится профиль, – лидеры в отрасли по инновационному подходу и применению высокотехнологичных производств. Большая часть ассортимента изготовлена в Европе.
Широкий ассортимент и актуальный склад
Каталог содержит более 1500 наименований, более 80% которых находятся на складе. Обновление склада происходит еженедельно.
Удобный выбор товара на сайте
Наш многофункциональный сайт позволяет произвести индивидуальные пользовательские настройки, воспользоваться удобным фильтром, опциями совместимых и сопутствующих товаров, что исключает ошибки при подборе оборудования.
Квалифицированные консультации
Наши менеджеры окажут квалифицированную помощь в выборе светодиодных лент и совместимого оборудования для вашего проекта, проконсультируют по ассортименту или конкретному товару, помогут оформить заказ.
Техническое сопровождение
Продукция, представленная на сайте, сопровождается подробной технической документацией: инструкцией, схемой подключения, IES-файлами, 3D-моделями. Файлы можно скачать в любой момент времени.
Любой масштаб проектов
Мы работаем с проектами самых разных масштабов и нацелены на долгосрочное сотрудничество.
Варианты применения
Расчет светотехнических проектов
Наши сертифицированные специалисты помогут рассчитать любой светотехнический проект. В нашем распоряжении собственная фотометрическая лаборатория, оснащенная оборудованием ведущей европейской компании Viso Systems. Для вас мы:
  • с высокой точностью измерим светотехнические параметры оборудования Arlight;
  • для дизайнеров и архитекторов сформируем IES и LDT-файлы для программы DiaLux;
  • рассчитаем необходимое количество и мощность светильников для вашего проекта любого масштаба в программе DiaLux.
Для дизайнеров и архитекторов
Для дизайнеров и архитекторов мы создали максимально комфортную среду для работы. Мы воплотим в жизнь ваши самые смелые идеи и окажем всестороннюю поддержку на всех этапах реализации проекта: от эскиза на клочке бумаги до запуска в эксплуатацию.
  • Подберем и рассчитаем оборудование для светотехнических проектов любой сложности, в том числе на основе предоставленных схем (AutoCad, ArchiCad и пр.).
  • Сформируем файлы IES, DWG, 3Ds, ПО и другие.
  • Предоставим сертификаты на всю продукцию.
  • Проконсультируем вас, ваших клиентов и исполнителей по всем техническим вопросам.
  • Всегда можем показать образцы продукции в наших шоурумах.
  • Обеспечим защиту проекта.
  • Окажем техническую помощь и дадим консультации по монтажу и грамотной эксплуатации оборудования.
Стать партнёром
Станьте участником нашей партнерской программы и откройте для себя большие возможности для развития вашего бизнеса. Интересные условия и расширенная поддержка делают сотрудничество с нами выгодным для вас.

Информация о компании


Контактное лицо *
Телефон *
E-mail *
Наименование (компания)
Адрес
Сайт

Сфера деятельности

Дополнительная информация, которую Вы считаете необходимым сообщить

* Поля, обязательные для заполнения.

Алюминиевый профиль TOP
017286
Ширина: 26 мм
Норм. уп.: 2
Высота: 23.3 мм
Вес: 0.022 кг
Длина: 5 мм
017301
Ширина: 20 мм
Норм. уп.: 2
Высота: 5 мм
Вес: 0.018 кг
Длина: 20 мм
017284
Ширина: 24.5 мм
Норм. уп.: 2
Высота: 19.1 мм
Вес: 0.021 кг
Длина: 5 мм
017287
Ширина: 36.5 мм
Норм. уп.: 2
Высота: 22.1 мм
Вес: 0.037 кг
Длина: 5 мм
017281
Ширина: 20 мм
Норм. уп.: 1
Высота: 40 мм
Вес: 0.002 кг
Длина: 20 мм
017280
Ширина: 17 мм
Норм. уп.: 1
Высота: 17 мм
Вес: 0.033 кг
Длина: 50 мм
017285
Ширина: 63 мм
Норм. уп.: 1
Высота: 37 мм
Вес: 0.005 кг
Длина: 50 мм
017302
Ширина: 50 мм
Норм. уп.: 1
Высота: 10 мм
Вес: 0.007 кг
Длина: 110 мм
017303
Ширина: 60 мм
Норм. уп.: 1
Высота: 10 мм
Вес: 0.005 кг
Длина: 50 мм
017300
Ширина: 50 мм
Норм. уп.: 1
Высота: 10 мм
Вес: 0.005 кг
Длина: 40 мм
015467
Ширина: 8.2 мм
Норм. уп.: 1
Высота: 27.4 мм
Вес: 0.586 кг
Длина: 2000 мм
015477
Ширина: 26 мм
Норм. уп.: 1
Высота: 60 мм
Вес: 2.524 кг
Длина: 2000 мм
019270
Ширина: 30.6 мм
Норм. уп.: 1
Высота: 22 мм
Вес: 0.9 кг
Длина: 2000 мм
021947
Ширина: 40 мм
Норм. уп.: 1
Высота: 35 мм
Вес: 1.55 кг
Длина: 2000 мм
014900
Ширина: 30.8 мм
Норм. уп.: 1
Высота: 9.2 мм
Вес: 0.672 кг
Длина: 2000 мм
018252
Ширина: 26.23 мм
Норм. уп.: 1
Высота: 17.59 мм
Вес: 0.922 кг
Длина: 2000 мм
024188
Ширина: 55 мм
Норм. уп.: 1
Высота: 67 мм
Вес: 2.25 кг
Длина: 2000 мм
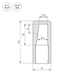
021940
Ширина: 6 мм
Норм. уп.: 1
Высота: 14 мм
Вес: 0.273 кг
Длина: 2000 мм
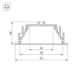
016472
Ширина: 92 мм
Норм. уп.: 1
Высота: 40 мм
Вес: 2.294 кг
Длина: 2000 мм
014856
Ширина: 80 мм
Норм. уп.: 1
Высота: 35 мм
Длина: 2000 мм
018246
Ширина: 17.5 мм
Норм. уп.: 1
Высота: 15 мм
Вес: 0.465 кг
Длина: 2000 мм
018243
Ширина: 24.5 мм
Норм. уп.: 1
Высота: 15 мм
Вес: 0.503 кг
Длина: 2000 мм
015473
Ширина: 82.4 мм
Норм. уп.: 1
Высота: 46 мм
Вес: 2.4 кг
Длина: 2000 мм
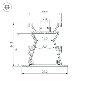
027887
Ширина: 36.2 мм
Норм. уп.: 1
Высота: 34.3 мм
Вес: 1 кг
Длина: 2000 мм