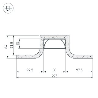
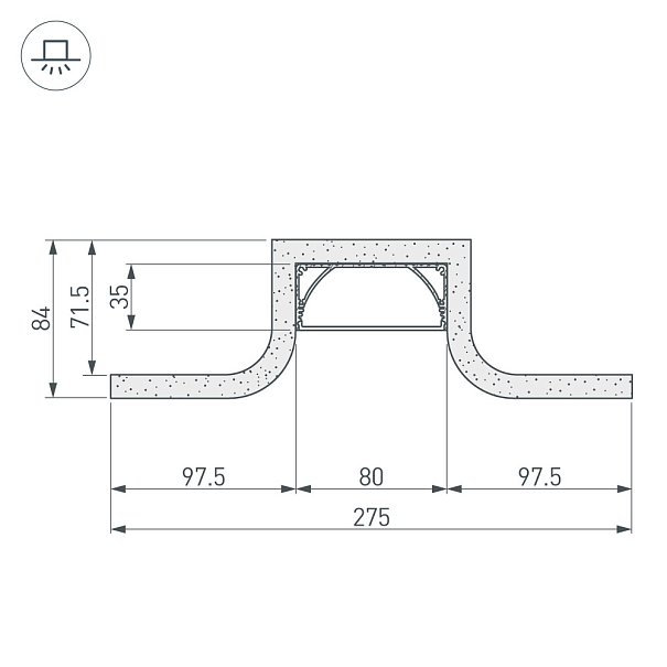
Описание
Гипсокартонный модуль серии SLOT со встроенным алюминиевым профилем ALU-POWER-W80N. Внешний вид - прямая линия света в полукруглом слоте (ширина 78 мм). Размеры модуля: длина - 2000 мм, ширина -275 мм, высота - 84 мм. Ширина площадки для ленты - 38,2 мм. Толщина гипсокартона: 12,5 мм. Матовый экран в комплекте. Поставляется не зашпаклеванным. Цена за 1 м.











