Описание
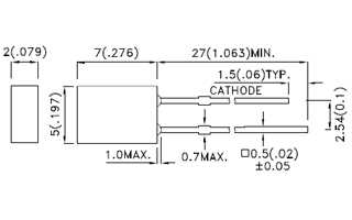
Поставка под заказ от 5000 шт. Выводной прямоугольный светодиод, 2×5×7 мм, прозрачная линза. Цвет свечения белый (6000-8000 К). Угол излучения 80°. Сила света Iv=800-1200 мкд при If=20 мА. VF=2.9-3.5 В. Рекомендуемый постоянный рабочий ток <16-17 мА.











